联系电话:0512-57070321 57162321 手机:13482293333 欢迎关注台宝艾微信公众号| 退出
首页>产品中心>TBI-TM系列
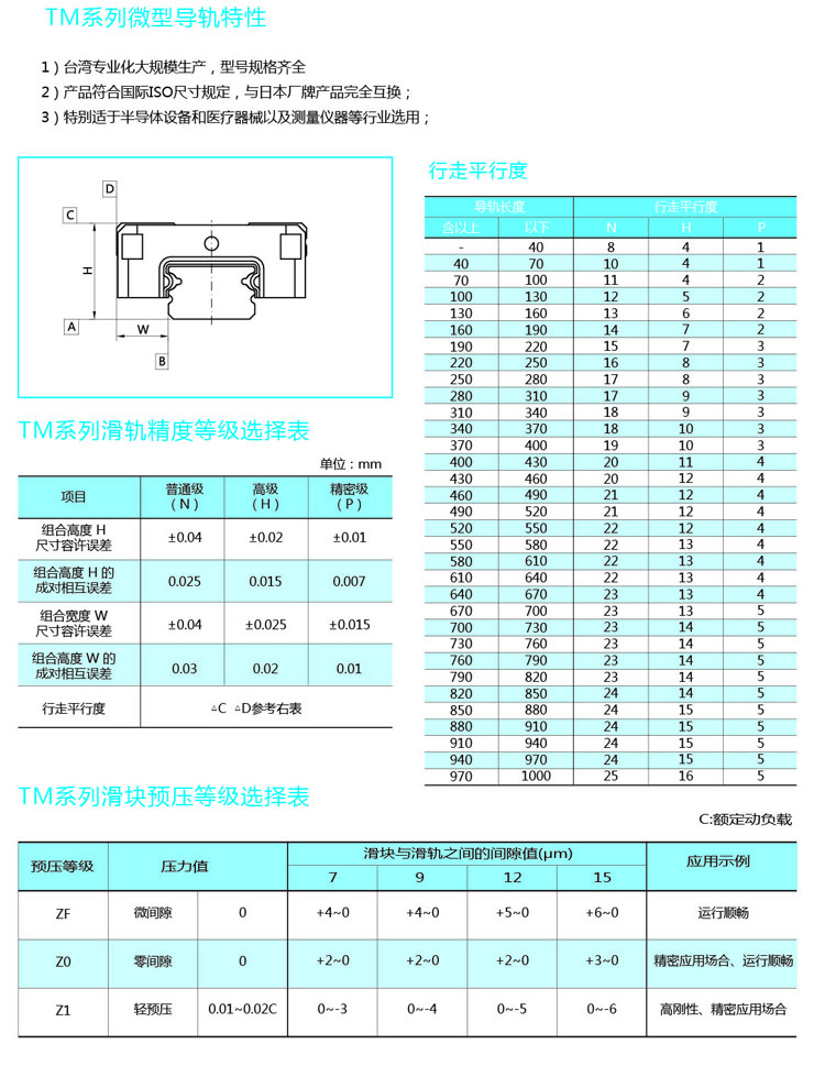
微轨的精度与订购示例
昆山市玉山镇元丰路28号6号厂房 电话:0512-57070321/57162321 Copyright ©2016-2020 webhh.net 苏ICP备19033339号-1